日期:2022-05-23 10:20
瀏覽次數:5032次
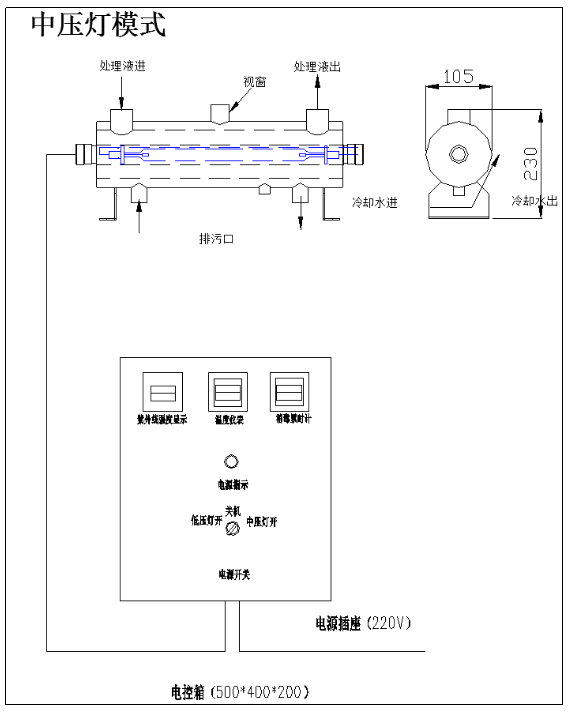
在一個約2L容積的不銹鋼腔體,放置單支紫外線光源(低壓燈185nm、低壓燈185nm+254nm、中壓燈200~400nm,三種光源可以任意互換使用),腔體設有垃圾處理液的進出水口,以及冷卻液進出水口(冷卻液用于降低內部處理液溫度,模擬相近水溫下的對照組效果),利用三種不同波長的紫外線光源照射,獲取試驗數據。
朗普電控箱:
1、配有溫度顯示儀表,用于實時顯示垃圾處理液內部溫度;
2、配有紫外線強度檢測儀,用于檢測紫外線強度;
3、配有時間累計時,用于記錄紫外線燈的使用時間;
4、三檔位切換開關,用于切換不同紫外線光源的開啟或關閉;
5、配有垃圾處理液進出水口;
6、配有冷卻液進出水口;
7、可選配:中壓燈無級調節電子驅動電源(30%~100%功率可調節)

